Szanowni Państwo, informujemy, że z uwagi na panujące warunki atmosferyczne procesy dostaw gabarytów, kabli oraz przewodów uległy wydłużeniu. Przepraszamy za utrudnienia.


Rosnąca liczba instalacji fotowoltaicznych i wiatrowych sprawia, że magazyny energii stają się niezbędnym elementem systemów zasilania. Fotowoltaika działa jedynie w ciągu dnia, a elektrownie wiatrowe produkują energię tylko przy odpowiednich warunkach atmosferycznych. Z tego powodu konieczne jest gromadzenie nadwyżek energii i wykorzystanie ich w czasie, gdy źródła OZE nie pracują.
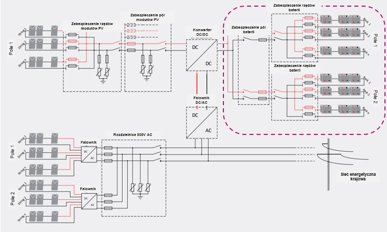
Magazyny energii (BESS) powstają z szeregowanych i równolegle łączonych akumulatorów. Dzięki temu uzyskuje się odpowiednie napięcie całego układu oraz wymaganą pojemność i moc. Napięcie w takich systemach zwykle wynosi kilkaset woltów DC.


Ze względu na prąd stały, który nie przechodzi przez zero jak w układach AC, zabezpieczenia muszą być odpowiednio zaprojektowane. Gaszenie łuku elektrycznego w obwodach DC jest trudniejsze i wymaga specjalnych elementów ochronnych.
Nieprawidłowo dobrane zabezpieczenia mogą prowadzić do awarii, a nawet pożarów, których opanowanie w przypadku instalacji DC jest bardzo trudne. Znane są przypadki z systemów PV i elektromobilności, gdzie łuk elektryczny generował poważne straty.
Z tego powodu konieczne jest stosowanie bezpieczników o odpowiednich parametrach oraz ich prawidłowe rozmieszczenie w systemie.
W odpowiedzi na potrzeby rynku wprowadzono normę IEC 60269-7, która określa specjalne wkładki do ochrony BESS. Firma ETI d.o.o., jako uczestnik prac komitetu IEC, opracowała dedykowane rozwiązania.
Dostępne są dwie charakterystyki:
gBat (pełnozakresowa) – zabezpiecza zarówno przed przeciążeniem, jak i zwarciem.
aBat (niepełnozakresowa) – działa wyłącznie przy zwarciach, a minimalny prąd zadziałania wynosi ok. 10-krotność prądu znamionowego. Z tego powodu wkładki aBat wymagają dodatkowego zabezpieczenia przeciążeniowego.


Każda wkładka przeznaczona do BESS musi być oznaczona charakterystycznym symbolem „Battery Fuse”.![]()
Zakres prądów: 2–35 A
Napięcie: 550 V DC lub 800 V DC
Stosowane do ochrony równoległych rzędów akumulatorów przed konwerterem DC/DC lub falownikiem DC/AC.
Zakres prądów: 20–630 A
Napięcie: do 1500 V DC
Montowane blisko konwertera lub falownika, zabezpieczają przewody od wspólnego punktu połączenia rzędów baterii.
Systemy BESS wymagają dwóch poziomów ochrony:
pierwszy – przy poszczególnych rzędach akumulatorów (wkładki CH),
drugi – przy konwerterze lub falowniku (wkładki NH).
W przypadku zwarcia w jednym z rzędów, prąd zwarciowy wsteczny przepływa z pozostałych akumulatorów połączonych równolegle. Wtedy wkładka CH musi natychmiast odłączyć uszkodzony fragment. Gdy zwarcie wystąpi bliżej falownika, funkcję ochronną przejmuje wkładka NH.


Ważnym elementem jest selektywność zabezpieczeń – aby zadziałała wyłącznie ta wkładka, która znajduje się najbliżej miejsca zwarcia. Osiąga się to poprzez odpowiedni dobór prądów znamionowych. Zasadą jest stosunek co najmniej 1 : 1,6 pomiędzy wkładką poprzedzającą a chronioną.


