Przeglądarka z której korzystasz - Internet Explorer - nie jest wspierana przez nasz serwis. Żeby móc w pełni korzystać z serwisu zainstaluj inną przeglądarkę.
Konto Twojej firmy jest obecnie zablokowane. Żeby móc składać zamówienia skontaktuj się ze swoim opiekunem.

Przekaźnik kontroli poziomu wody deszczowej jednostanowy PZ-828-RC-WD | PZ-828RC-WD F&F

Rzeczywisty produkt może się różnić od pokazanego na zdjęciu
Producent
F&F
Kod
1687269
EAN
5902431676036
Kod Producenta
PZ-828RC-WD
Przekaźnik kontroli poziomu wody deszczowej jednostanowy PZ-828-RC-WD

Informacja o Produkcie

Do pobrania

Informacja o Produkcie

Przekaźnik kontroli poziomu cieczy
- do kontroli poziomu wody deszczowej,
- z regulacją czułości przez użytkownika,
- jednostanowy,
- w komplecie z sondą PZ.
Wykrywa ciecze przewodzące prąd elektryczny na poziomie zamontowania sondy zalania.

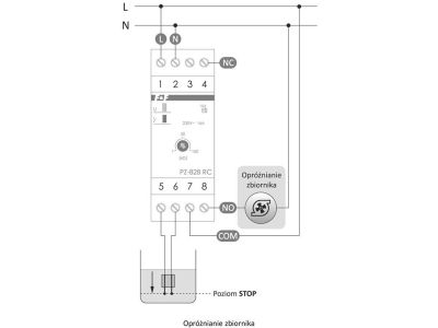
Jak działa przekaźnik kontroli poziomu wody deszczowej?
W stanie suchym styk przekaźnika pozostaje w pozycji 7-4. W chwili zalania sondy cieczą (tj. zwarcia elektrod sondy) styk przekaźnika zostaje przełączony w pozycję 7-8. Po spadku poziomu cieczy (rozwarciu elektrod sondy) styk przekaźnika powraca w pozycję 7-4.

Sposób podłączenia sondy
Konstrukcja sondy pozwala na zamontowanie jej na płaskim podłożu poziomym, np. na podłodze w pomieszczeniu z hydrozaworami, rurami przepływowymi lub w pralni. Dzięki temu możliwe jest szybkie wykrycie awarii (zalania pomieszczenia cieczą) z jednoczesnym wyłączeniem obwodów elektrycznych lub załączeniem sygnalizacji dźwiękowej lub świetlnej (alarmu).

Przewód sondy można przedłużyć do 100 m.

Pod wejście 5-6 można podłączyć do 10 sond - szeregowo lub równolegle:
* szeregowo - dla zależnego układu kontroli poziomu płynu w wielu punktach - musi nastąpić jednocześnie zwarcie wszystkich podłączonych czujników, aby przekaźnik zadziałał
* równolegle - dla alternatywnego układu kontroli poziomu płynu w wielu punktach - musi nastąpić zwarcie przynajmniej jednego, dowolnego z podłączonych czujników. Przy połączeniu szeregowym zmniejsza się czułość czujników (zmniejsza się przewodność).

Uwaga!
Zaciski 5-6 są separowane od sieci.

Przekaźnik w komplecie z sondą PZ.
  • Producent F&F
  • Seria producenta Przekaźniki kontroli - PZ
Przekaźnik kontroli poziomu (cieczy)
  • Rodzaj połączenia elektrycznego Połączenie śrubowe
  • Liczba wejść dla elektrod 1
  • Regulowana wartość nastawy czułości Tak
  • Liczba styków przełącznych 1
  • Fizyczna zasada pomiaru Przewodność

Podmiot odpowiedzialny

Pokaż/Ukryj

Adres:

Dane kontaktowe:

Wszystkie obrazy

Produkty, które mogą Cię zainteresować: