Przeglądarka z której korzystasz - Internet Explorer - nie jest wspierana przez nasz serwis. Żeby móc w pełni korzystać z serwisu zainstaluj inną przeglądarkę.
Konto Twojej firmy jest obecnie zablokowane. Żeby móc składać zamówienia skontaktuj się ze swoim opiekunem.

Szanowni Państwo, informujemy, że z uwagi na panujące warunki atmosferyczne procesy dostaw gabarytów, kabli oraz przewodów uległy wydłużeniu. Przepraszamy za utrudnienia.

Końcówka śrubowa średnionapięciowa SKS 12 50150/1S | SKS_12-50150/1 Erko

Rzeczywisty produkt może się różnić od pokazanego na zdjęciu
Producent
Erko
Kod
1028577
EAN
5905912863215
Kod Producenta
SKS_12-50150/1
Końcówka śrubowa średnionapięciowa SKS 12 50150/1S

Informacja o Produkcie

Do pobrania

Informacja o Produkcie

Alternatywny kod produktu: SKS_12-50150/1

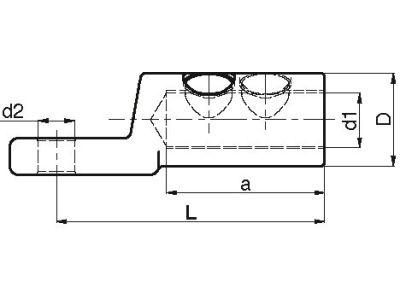
Wykorzystywane są do łączenia żył przewodów elektrycznych w odbiornikach energii elektrycznej, mają zastosowanie przy budowie linii elektroenergetycznych. Gwarantują trwałe i stabilne połączenia przewodów jedno i wielodrutowych. Ich innowacyjność polega przede wszystkim na tym, iż są alternatywą dla końcówek wymagających zaprasowywania. Przeznaczone są do pracy przy napięciu do 36 kV. Końcówki wykonane są z aluminium i cynowane w standardzie.
  • Producent Erko
  • Seria producenta SKS
Końcówka kablowa śrubowa
  • Przekrój nominalny przewodu miedzianego 50 - 120
  • Przekrój nominalny przewodu miedzianego 50 - 120
  • Przekrój nominalny przewodu aluminiowego 50 - 120
  • Przekrój nominalny przewodu aluminiowego 50 - 150
  • Przekrój nominalny przewodu aluminiowego 50 - 120
  • Przekrój nominalny przewodu aluminiowego 50 - 150
  • Rozmiar gwintu metrycznego przyłącza 12
  • Materiał przewodu Aluminium
  • Zabezpieczenie powierzchni Cynowanie

Do pobrania

Karty katalogowe

Wszystkie obrazy

Produkty, które mogą Cię zainteresować: