Przeglądarka z której korzystasz - Internet Explorer - nie jest wspierana przez nasz serwis. Żeby móc w pełni korzystać z serwisu zainstaluj inną przeglądarkę.
Konto Twojej firmy jest obecnie zablokowane. Żeby móc składać zamówienia skontaktuj się ze swoim opiekunem.

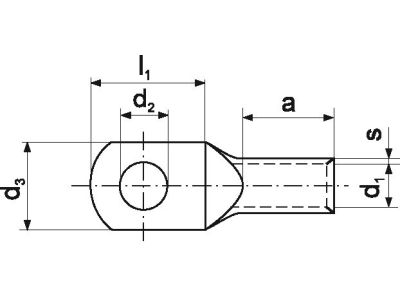
Końcówka oczkowa Al rurowa ARC 16-185, przekrój: 185mm2, otwór pod śrubę M16 | ARC_185/1 Erko

Rzeczywisty produkt może się różnić od pokazanego na zdjęciu
Producent
Erko
Kod
1027768
EAN
5905912834512
Kod Producenta
ARC_185/1
Końcówka oczkowa Al rurowa ARC 16-185, przekrój: 185mm2, otwór pod śrubę M16

Informacja o Produkcie

Do pobrania

Informacja o Produkcie

Opakowanie zbiorcze zawiera 10 szt.

Alternatywny kod produktu: ARC_185/1

Opis i Kluczowe Cechy

Końcówka oczkowa aluminiowa rurowa ARC 16-185 marki ERKO to profesjonalne rozwiązanie przeznaczone do trwałego i bezpiecznego zakańczania żył aluminiowych. Produkt został zaprojektowany z myślą o przewodach o przekroju znamionowym wynoszącym 185 mm², co pozwala na stabilne przesyłanie wysokich prądów w instalacjach elektroenergetycznych. Wykonanie z wysokiej jakości aluminium gwarantuje optymalną przewodność oraz kompatybilność materiałową z żyłami aluminiowymi, co jest kluczowe dla uniknięcia korozji elektrochemicznej.

  • Przekrój znamionowy: 185 mm² – idealny do grubych kabli zasilających.
  • Otwór pod śrubę: M16 – umożliwia solidne przykręcenie końcówki do szyn prądowych lub zacisków aparatury.
  • Redukcja przegrzewania: Specjalna konstrukcja rurowa minimalizuje zjawisko wzrostu temperatury na styku, chroniąc izolację przewodów przed degradacją termiczną.
  • Wszechstronność: Końcówka jest przystosowana do pracy zarówno z żyłami okrągłymi, jak i sektorowymi.

Zgodność z Normami

Produkt został wykonany zgodnie z rygorystycznymi standardami obowiązującymi w branży elektro-technicznej. Końcówki ERKO serii ARC spełniają wymagania techniczne stawiane osprzętowi do kabli i przewodów elektroenergetycznych, co gwarantuje ich niezawodność w trudnych warunkach eksploatacyjnych. Zastosowanie atestowanych materiałów zapewnia powtarzalność parametrów mechanicznych i elektrycznych każdego egzemplarza.

Zastosowanie

Końcówki rurowe ARC 185/16 znajdują szerokie zastosowanie w profesjonalnych instalacjach przemysłowych oraz sieciach energetycznych. Są niezbędnym elementem przy budowie rozdzielnic niskiego i średniego napięcia, przyłączaniu transformatorów oraz w liniach napowietrznych i kablowych. Dzięki możliwości zakańczania żył sektorowych (po uprzednim przeformowaniu), produkt ten jest niezwykle uniwersalny dla ekip monterskich pracujących na różnych typach okablowania aluminiowego.

Wskazówki Montażowe

Aby zapewnić najwyższą jakość połączenia i długowieczność instalacji, należy przestrzegać poniższych wytycznych:

  • Przygotowanie żyły: W przypadku żył sektorowych niezbędne jest ich wcześniejsze przeformowanie na okrągło przy użyciu dedykowanych matryc.
  • Proces zaprasowywania: Końcówkę należy trwale zaprasować przy użyciu profesjonalnej praski (ręcznej, hydraulicznej lub akumulatorowej) z dobranymi odpowiednio matrycami do aluminium.
  • Czystość styku: Przed montażem zaleca się usunięcie warstwy tlenków z powierzchni żyły aluminiowej.
  • Moment dokręcania: Połączenie śrubowe M16 powinno zostać dokręcone z odpowiednim momentem, aby zapewnić trwały docisk mechaniczny bez ryzyka zerwania gwintu.

FAQ

1. Czy końcówkę ARC 185 można stosować do przewodów miedzianych?
Nie, końcówki aluminiowe są dedykowane wyłącznie do żył aluminiowych. Do przewodów miedzianych należy stosować końcówki miedziane lub bimetaliczne, aby uniknąć zjawiska korozji galwanicznej.

2. Czy do zaprasowania wystarczą zwykłe kombinerki?
Zdecydowanie nie. Ze względu na duży przekrój (185 mm²), wymagane jest użycie profesjonalnych narzędzi do zaprasowywania, które zapewnią odpowiednią siłę nacisku i trwałość połączenia elektrycznego.

3. Co oznacza oznaczenie M16?
Oznacza to, że otwór w części oczkowej końcówki jest przystosowany do śruby o średnicy znamionowej 16 mm.

  • Producent Erko
  • Wymiary 0.037m x 0.024m x 0.118m
  • Seria producenta ARC
Końcówka kablowa prasowana do przewodów aluminiowych
  • Kształt przekroju Okrągły
  • Przekrój nominalny przewodu aluminiowego 185 - 185 mm²
  • Rozmiar gwintu metrycznego przyłącza 16
  • Materiał Aluminium
  • Do linki stalowo-aluminiowej Nie
  • Szczelne Nie
  • Liczba otworów montażowych 1
  • Zgodne z DIN Nie
  • Kolor Inne

Podmiot odpowiedzialny

Pokaż/Ukryj

Adres:

Dane kontaktowe:

Do pobrania

Wszystkie obrazy

Produkty, które mogą Cię zainteresować: