Przeglądarka z której korzystasz - Internet Explorer - nie jest wspierana przez nasz serwis. Żeby móc w pełni korzystać z serwisu zainstaluj inną przeglądarkę.
Konto Twojej firmy jest obecnie zablokowane. Żeby móc składać zamówienia skontaktuj się ze swoim opiekunem.

Szanowni Państwo, informujemy, że z uwagi na panujące warunki atmosferyczne procesy dostaw gabarytów, kabli oraz przewodów uległy wydłużeniu. Przepraszamy za utrudnienia.

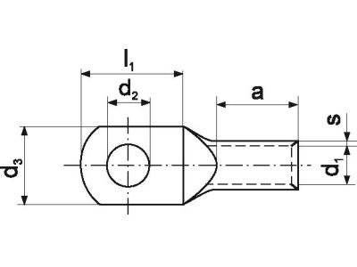
Końcówka oczkowa Al rurowa ARC 12-185, przekrój: 185mm2, otwór pod śrubę M12 | ARC_12-185/1 Erko

Rzeczywisty produkt może się różnić od pokazanego na zdjęciu
Producent
Erko
Kod
1027762
EAN
5905912841978
Kod Producenta
ARC_12-185/1
Końcówka oczkowa Al rurowa ARC 12-185, przekrój: 185mm2, otwór pod śrubę M12

Informacja o Produkcie

Do pobrania

Informacja o Produkcie

Opakowanie zbiorcze zawiera 10 szt.

Opis i Kluczowe Cechy

Końcówka oczkowa aluminiowa rurowa ARC 12-185 marki ERKO to profesjonalny element osprzętu elektroinstalacyjnego, zaprojektowany z myślą o tworzeniu trwałych i bezpiecznych połączeń elektrycznych. Przekrój znamionowy wynoszący 185 mm² pozwala na stabilne przesyłanie energii w liniach o dużym obciążeniu prądowym, minimalizując ryzyko wystąpienia spadków napięcia. Wykonanie z wysokiej jakości aluminium gwarantuje doskonałą przewodność oraz kompatybilność z aluminiowymi żyłami przewodów. Otwór pod śrubę o rozmiarze M12 umożliwia pewny montaż do szyn prądowych lub zacisków aparatury rozdzielczej.

  • Redukcja przegrzewania: Specjalna konstrukcja rurowa skutecznie zmniejsza zjawisko przegrzewania się żył oraz izolacji, co bezpośrednio przekłada się na wydłużenie żywotności całej instalacji.
  • Wszechstronność: Końcówka jest przeznaczona do zakańczania zarówno żył aluminiowych okrągłych, jak i sektorowych.
  • Trwałość mechaniczna: Solidna budowa zapewnia odporność na drgania i naprężenia mechaniczne występujące w przemysłowych systemach zasilania.

Zgodność z Normami

Produkt został wykonany zgodnie z rygorystycznymi standardami jakościowymi obowiązującymi w branży elektroenergetycznej. Wykorzystanie atestowanych materiałów przez producenta ERKO zapewnia, że końcówka spełnia wymagania dotyczące rezystancji stykowej oraz wytrzymałości na rozciąganie. Stosowanie certyfikowanych końcówek rurowych jest kluczowe dla zachowania bezpieczeństwa przeciwpożarowego w obiektach przemysłowych i komercyjnych.

Zastosowanie

Końcówka ARC 12-185 znajduje szerokie zastosowanie w profesjonalnych pracach elektroinstalacyjnych, szczególnie tam, gdzie wymagane jest łączenie kabli aluminiowych o dużych przekrojach. Jest niezastąpiona w:

  • Budowie i modernizacji rozdzielnic niskiego i średniego napięcia.
  • Przyłączach energetycznych w zakładach przemysłowych.
  • Instalacjach napowietrznych i kablowych z wykorzystaniem przewodów aluminiowych.
  • Systemach zasilania awaryjnego i wielkogabarytowych maszynach elektrycznych.

Wskazówki Montażowe

Aby zapewnić najwyższą jakość połączenia i pełne bezpieczeństwo eksploatacji, należy przestrzegać poniższych wytycznych:

  • Przygotowanie żyły: W przypadku stosowania żył sektorowych, niezbędne jest ich uprzednie przeformowanie na okrągło przy użyciu dedykowanych matryc.
  • Proces zaprasowywania: Końcówkę należy trwale zaprasować przy użyciu odpowiedniego narzędzia (praski hydraulicznej lub mechanicznej) z dobranymi matrycami odpowiadającymi rozmiarowi 185 mm².
  • Czystość styku: Przed montażem należy oczyścić powierzchnię żyły z tlenków aluminium, co zapewni optymalny przepływ prądu.
  • Moment dokręcania: Podczas montażu do zacisku śrubowego M12, należy stosować klucz dynamometryczny, aby uzyskać docisk zgodny z dokumentacją techniczną aparatury.

FAQ

1. Czy końcówkę ARC 12-185 można stosować z przewodami miedzianymi?
Nie, końcówki aluminiowe są dedykowane wyłącznie do żył aluminiowych. Łączenie aluminium z miedzią bezpośrednio może prowadzić do korozji elektrochemicznej.

2. Jakie narzędzia są wymagane do montażu?
Wymagana jest praska o odpowiedniej sile nacisku wyposażona w matryce do końcówek aluminiowych o przekroju 185 mm².

3. Czy końcówka posiada pastę stykową?
Zaleca się stosowanie pasty stykowej podczas zaprasowywania końcówek aluminiowych, aby zapobiec ponownemu utlenianiu się metalu wewnątrz połączenia.

  • Producent Erko
  • Wymiary 0.115m x 0.025m x 0.036m
  • Seria producenta ARC
Końcówka kablowa prasowana do przewodów aluminiowych
  • Kształt przekroju Okrągły
  • Przekrój nominalny przewodu aluminiowego 185 - 185 mm²
  • Rozmiar gwintu metrycznego przyłącza 12
  • Materiał Aluminium
  • Do linki stalowo-aluminiowej Nie
  • Szczelne Nie
  • Liczba otworów montażowych 1
  • Zgodne z DIN Nie
  • Kolor Inne

Podmiot odpowiedzialny

Pokaż/Ukryj

Adres:

Dane kontaktowe:

Do pobrania

Wszystkie obrazy

Produkty, które mogą Cię zainteresować: