Przeglądarka z której korzystasz - Internet Explorer - nie jest wspierana przez nasz serwis. Żeby móc w pełni korzystać z serwisu zainstaluj inną przeglądarkę.
Konto Twojej firmy jest obecnie zablokowane. Żeby móc składać zamówienia skontaktuj się ze swoim opiekunem.

Końcówka oczkowa Al rurowa ARC 10-25, przekrój: 25mm2, otwór pod śrubę M10 | ARC_10-25/1 Erko

Rzeczywisty produkt może się różnić od pokazanego na zdjęciu
Producent
Erko
Kod
1027758
EAN
5905912854398
Kod Producenta
ARC_10-25/1
Końcówka oczkowa Al rurowa ARC 10-25, przekrój: 25mm2, otwór pod śrubę M10

Informacja o Produkcie

Do pobrania

Informacja o Produkcie

Opakowanie zbiorcze zawiera 20 szt.

Opis i Kluczowe Cechy

Końcówka oczkowa aluminiowa rurowa ARC 10-25 to profesjonalny element osprzętu elektroinstalacyjnego, zaprojektowany przez renomowanego producenta ERKO. Produkt ten jest dedykowany do skutecznego i trwałego zakańczania żył aluminiowych o przekroju znamionowym 25 mm². Dzięki zastosowaniu wysokiej jakości aluminium, końcówka gwarantuje doskonałą przewodność elektryczną oraz odporność na procesy utleniania, co jest kluczowe w instalacjach elektroenergetycznych.

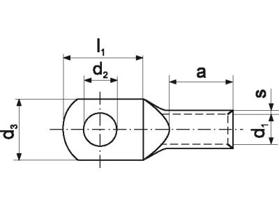
  • Przekrój znamionowy: 25 mm², co pozwala na stabilne przesyłanie energii w obwodach o dużym obciążeniu.
  • Otwór pod śrubę: Rozmiar M10, umożliwiający pewny montaż do szyn prądowych lub zacisków aparatury.
  • Redukcja przegrzewania: Specjalna konstrukcja rurowa minimalizuje zjawisko wzrostu temperatury na styku żyły z końcówką, chroniąc izolację przewodu przed degradacją termiczną.
  • Wszechstronność: Przeznaczona zarówno do żył aluminiowych okrągłych, jak i sektorowych (po uprzednim przeformowaniu).

Zgodność z Normami

Produkt został wykonany zgodnie z rygorystycznymi standardami technicznymi obowiązującymi w branży elektroenergetycznej. Końcówki ERKO serii ARC spełniają wymagania dotyczące rezystancji stykowej oraz wytrzymałości mechanicznej połączeń zaprasowywanych. Wykorzystanie atestowanych materiałów zapewnia pełne bezpieczeństwo eksploatacji w instalacjach przemysłowych i rozdzielnicach niskiego napięcia.

Zastosowanie

Końcówki rurowe ARC 10-25 znajdują szerokie zastosowanie w profesjonalnych pracach elektrycznych, w tym:

  • Budowa i modernizacja rozdzielnic elektrycznych oraz szaf sterowniczych.
  • Przyłączanie kabli zasilających do aparatury modułowej i przemysłowej.
  • Instalacje napowietrzne i kablowe oparte na przewodach aluminiowych.
  • Systemy zasilania awaryjnego i przemysłowe linie technologiczne.

Wskazówki Montażowe

Aby zapewnić najwyższą jakość połączenia i uniknąć awarii, należy przestrzegać następujących zasad montażu:

  • Przygotowanie żyły: W przypadku żył sektorowych niezbędne jest ich wcześniejsze przeformowanie na okrągło przy użyciu dedykowanych matryc.
  • Oczyszczenie: Przed wsunięciem żyły do końcówki należy usunąć warstwę tlenków z powierzchni aluminium.
  • Zaprasowywanie: Proces należy przeprowadzić wyłącznie przy użyciu profesjonalnych narzędzi (prasek hydraulicznych lub mechanicznych) z odpowiednio dobranymi matrycami.
  • Moment dokręcania: Podczas montażu końcówki do zacisku śrubowego M10 należy zachować odpowiedni moment dokręcania, aby zapewnić trwały styk elektryczny bez uszkodzenia gwintu.

FAQ

  • Czy końcówkę ARC 10-25 można stosować do przewodów miedzianych? Nie, końcówki aluminiowe są dedykowane wyłącznie do żył aluminiowych. Do miedzi należy stosować końcówki miedziane lub bimetaliczne, aby uniknąć korozji elektrochemicznej.
  • Jaki otwór montażowy posiada ta końcówka? Końcówka posiada otwór pod śrubę o średnicy M10, co jest standardem w wielu typach aparatury przemysłowej.
  • Czy wymagane jest użycie pasty stykowej? Zaleca się stosowanie pasty stykowej do aluminium, która dodatkowo zabezpiecza połączenie przed utlenianiem i poprawia parametry elektryczne styku.
  • Producent Erko
  • Wymiary 0.018m x 0.011m x 0.06m
  • Seria producenta ARC
Końcówka kablowa prasowana do przewodów aluminiowych
  • Kształt przekroju Okrągły
  • Przekrój nominalny przewodu aluminiowego 25 - 25 mm²
  • Rozmiar gwintu metrycznego przyłącza 10
  • Materiał Aluminium
  • Do linki stalowo-aluminiowej Nie
  • Szczelne Nie
  • Liczba otworów montażowych 1
  • Zgodne z DIN Nie
  • Kolor Inne

Podmiot odpowiedzialny

Pokaż/Ukryj

Adres:

Dane kontaktowe:

Do pobrania

Wszystkie obrazy

Produkty, które mogą Cię zainteresować: