Przeglądarka z której korzystasz - Internet Explorer - nie jest wspierana przez nasz serwis. Żeby móc w pełni korzystać z serwisu zainstaluj inną przeglądarkę.
Konto Twojej firmy jest obecnie zablokowane. Żeby móc składać zamówienia skontaktuj się ze swoim opiekunem.

Szanowni Państwo, informujemy, że z uwagi na panujące warunki atmosferyczne procesy dostaw gabarytów, kabli oraz przewodów uległy wydłużeniu. Przepraszamy za utrudnienia.

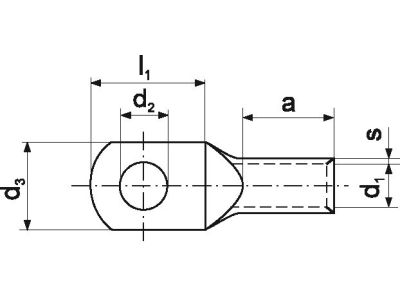
Końcówka oczkowa Al rurowa ARC 10-185, przekrój: 185mm2, otwór pod śrubę M10 | ARC_10-185/1 Erko

Rzeczywisty produkt może się różnić od pokazanego na zdjęciu
Producent
Erko
Kod
1027756
EAN
5905912866742
Kod Producenta
ARC_10-185/1
Końcówka oczkowa Al rurowa ARC 10-185, przekrój: 185mm2, otwór pod śrubę M10

Informacja o Produkcie

Do pobrania

Informacja o Produkcie

Opakowanie zbiorcze zawiera 20 szt.

Opis i Kluczowe Cechy

Profesjonalna końcówka oczkowa aluminiowa rurowa typu ARC 10-185, wyprodukowana przez renomowaną firmę ERKO, to kluczowy element osprzętu elektroinstalacyjnego przeznaczony do trwałego i bezpiecznego zakańczania żył aluminiowych. Produkt został zaprojektowany z myślą o przewodach o przekroju znamionowym wynoszącym 185 mm², co pozwala na stabilne przesyłanie wysokich prądów w przemysłowych sieciach elektroenergetycznych. Wyposażenie końcówki w otwór pod śrubę o rozmiarze M10 umożliwia pewny montaż do szyn prądowych oraz zacisków aparatury elektrycznej.

  • Wysoka przewodność: Wykonanie z wysokiej jakości aluminium gwarantuje optymalne parametry elektryczne i minimalizację strat energii.
  • Redukcja przegrzewania: Specjalna konstrukcja rurowa znacząco zmniejsza zjawisko przegrzewania się żył oraz izolacji przewodów, co bezpośrednio przekłada się na wydłużenie żywotności całej instalacji.
  • Wszechstronność: Końcówka jest dedykowana zarówno do żył aluminiowych okrągłych, jak i sektorowych, co czyni ją uniwersalnym rozwiązaniem w rękach elektroinstalatora.
  • Trwałość połączenia: Solidna budowa zapewnia odporność na naprężenia mechaniczne oraz stabilność termiczną w trudnych warunkach eksploatacyjnych.

Zgodność z Normami

Produkt marki ERKO został wykonany zgodnie z rygorystycznymi standardami obowiązującymi w branży elektrotechnicznej. Proces produkcji oraz parametry techniczne końcówek ARC są monitorowane, aby zapewnić pełną kompatybilność z systemami przesyłu energii. Stosowanie certyfikowanych końcówek rurowych jest niezbędne dla zachowania bezpieczeństwa przeciwpożarowego oraz spełnienia wymogów technicznych stawianych nowoczesnym instalacjom niskiego i średniego napięcia.

Zastosowanie

Końcówka ARC 10-185 znajduje szerokie zastosowanie w sektorze energetyki zawodowej oraz przemysłowej. Jest niezastąpiona przy:

  • Budowie rozdzielnic elektrycznych i szaf sterowniczych, gdzie wymagane jest przyłączenie kabli o dużych przekrojach.
  • Zakańczaniu linii zasilających w obiektach przemysłowych i komercyjnych.
  • Łączeniu kabli aluminiowych z aparaturą modułową i szynami zbiorczymi.
  • Pracach modernizacyjnych w sieciach elektroenergetycznych, gdzie kluczowa jest niezawodność styku.

Wskazówki Montażowe

Aby zapewnić najwyższą jakość połączenia elektrycznego i mechanicznego, należy przestrzegać poniższych wytycznych:

  • Przygotowanie żyły: Przed montażem należy dokładnie zdjąć izolację z przewodu na długości odpowiadającej części rurowej końcówki. W przypadku żył sektorowych niezbędne jest uprzednie przeformowanie żyły na okrągło przy użyciu dedykowanych matryc.
  • Oczyszczenie: Powierzchnię żyły aluminiowej należy oczyścić z warstwy tlenków bezpośrednio przed zaprasowaniem.
  • Proces prasowania: Do trwałego zamocowania końcówki należy użyć profesjonalnej praski (hydraulicznej lub mechanicznej) z odpowiednio dobranymi matrycami dedykowanymi dla przekroju 185 mm².
  • Moment dokręcania: Podczas montażu końcówki do zacisku śrubowego M10, należy zastosować odpowiedni moment dokręcania zgodny z dokumentacją techniczną urządzenia, do którego wykonywane jest przyłącze.

FAQ

1. Czy końcówkę ARC 10-185 można stosować do przewodów miedzianych?
Nie, końcówki aluminiowe typu ARC są przeznaczone wyłącznie do żył aluminiowych. Do przewodów miedzianych należy stosować końcówki miedziane (np. typ KCL), aby uniknąć zjawiska korozji elektrochemicznej.

2. Czy konieczne jest użycie pasty stykowej?
Zaleca się stosowanie pasty stykowej przy połączeniach aluminiowych, aby zapobiec ponownemu utlenianiu się aluminium i poprawić przewodność styku.

3. Jakie narzędzie będzie odpowiednie do zaprasowania tej końcówki?
Należy użyć praski o sile nacisku dostosowanej do przekroju 185 mm², wyposażonej w matryce do aluminium (np. matryce typu Al). Marka ERKO oferuje szeroki wybór narzędzi kompatybilnych z tym systemem.

  • Producent Erko
  • Wymiary 0.035m x 0.024m x 0.109m
  • Seria producenta ARC
Końcówka kablowa prasowana do przewodów aluminiowych
  • Kształt przekroju Okrągły
  • Przekrój nominalny przewodu aluminiowego 185 - 185 mm²
  • Rozmiar gwintu metrycznego przyłącza 10
  • Materiał Aluminium
  • Do linki stalowo-aluminiowej Nie
  • Szczelne Nie
  • Liczba otworów montażowych 1
  • Zgodne z DIN Nie
  • Kolor Inne

Podmiot odpowiedzialny

Pokaż/Ukryj

Adres:

Dane kontaktowe:

Do pobrania

Wszystkie obrazy

Produkty, które mogą Cię zainteresować: