Przeglądarka z której korzystasz - Internet Explorer - nie jest wspierana przez nasz serwis. Żeby móc w pełni korzystać z serwisu zainstaluj inną przeglądarkę.
Konto Twojej firmy jest obecnie zablokowane. Żeby móc składać zamówienia skontaktuj się ze swoim opiekunem.

Szanowni Państwo, informujemy, że z uwagi na panujące warunki atmosferyczne procesy dostaw gabarytów, kabli oraz przewodów uległy wydłużeniu. Przepraszamy za utrudnienia.

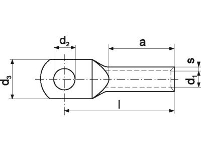
Końcówka oczkowa Al rurowa AR 12-240, przekrój: 240mm2, otwór pod śrubę M12 | AR_12-240/10 Erko

Rzeczywisty produkt może się różnić od pokazanego na zdjęciu
Producent
Erko
Kod
1027739
EAN
5905912834239
Kod Producenta
AR_12-240/10
Końcówka oczkowa Al rurowa AR 12-240, przekrój: 240mm2, otwór pod śrubę M12

Informacja o Produkcie

Do pobrania

Informacja o Produkcie

Opakowanie zbiorcze zawiera 10 szt.

Alternatywny kod produktu: AR_12-240/10

Opis i Kluczowe Cechy

Profesjonalna końcówka oczkowa aluminiowa AR 12-240 marki ERKO to wysokiej klasy komponent elektroinstalacyjny, zaprojektowany z myślą o trwałym i bezpiecznym zakańczaniu żył aluminiowych. Produkt charakteryzuje się przekrojem znamionowym wynoszącym 240 mm², co pozwala na stabilne przesyłanie prądów o dużym natężeniu w przemysłowych systemach energetycznych. Wykorzystanie wysokiej jakości aluminium w procesie produkcji gwarantuje doskonałą przewodność oraz optymalną masę elementu.

  • Przekrój znamionowy: 240 mm², dedykowany do grubych kabli zasilających.
  • Otwór pod śrubę: M12, umożliwiający pewny montaż do szyn prądowych i zacisków aparatury.
  • Redukcja przegrzewania: Specjalna konstrukcja rurowa minimalizuje zjawisko wzrostu temperatury na styku żyły z izolacją, co bezpośrednio przekłada się na wydłużenie żywotności całej instalacji.
  • Uniwersalność: Końcówka jest przystosowana do pracy zarówno z żyłami aluminiowymi okrągłymi, jak i sektorowymi.

Zgodność z Normami

Produkt został wykonany z najwyższą precyzją, a wymiary jego części rurowej są ściśle zgodne z normą DIN 46267 cz.2. Zgodność ta gwarantuje powtarzalność parametrów technicznych oraz pełną kompatybilność z profesjonalnymi narzędziami do zaprasowywania. Wybierając osprzęt marki ERKO, inżynierowie i instalatorzy mają pewność, że połączenie spełnia rygorystyczne wymagania bezpieczeństwa obowiązujące w nowoczesnej elektrotechnice.

Zastosowanie

Końcówki AR 12-240 znajdują szerokie zastosowanie w sektorze energetyki zawodowej oraz w dużych zakładach przemysłowych. Są niezbędne przy budowie rozdzielnic niskiego i średniego napięcia, przyłączaniu transformatorów oraz w liniach kablowych, gdzie wykorzystuje się przewody aluminiowe. Dzięki swojej wytrzymałości mechanicznej i elektrycznej, doskonale sprawdzają się w miejscach narażonych na duże obciążenia prądowe, zapewniając ciągłość zasilania kluczowych systemów produkcyjnych.

Wskazówki Montażowe

Aby zapewnić najwyższą jakość połączenia elektrycznego, należy przestrzegać poniższych wytycznych montażowych:

  • Przygotowanie żyły: W przypadku stosowania żył sektorowych, niezbędne jest ich uprzednie przeformowanie na okrągło przy użyciu dedykowanych matryc.
  • Proces zaprasowywania: Końcówkę należy trwale zaprasować przy użyciu odpowiedniego narzędzia (praski hydraulicznej lub mechanicznej) z zachowaniem właściwej liczby i kierunku zagnieceń.
  • Czystość: Przed montażem należy usunąć warstwę tlenków z żyły aluminiowej i opcjonalnie zastosować pastę stykową, co dodatkowo poprawi parametry przewodzenia.
  • Moment dokręcania: Podczas montażu końcówki do szyny za pomocą śruby M12, należy zachować odpowiedni moment dokręcania zgodny z dokumentacją techniczną zacisku.

FAQ

  • Czy końcówkę AR 12-240 można stosować do kabli miedzianych? Nie, końcówki aluminiowe są przeznaczone wyłącznie do żył aluminiowych. Do miedzi należy stosować końcówki miedziane lub bimetaliczne, aby uniknąć korozji elektrochemicznej.
  • Jakie narzędzia są wymagane do montażu? Wymagana jest praska o sile nacisku dostosowanej do przekroju 240 mm² wraz z matrycami zgodnymi ze standardem DIN.
  • Czy produkt posiada wypełnienie pastą stykową? Standardowo końcówki rurowe ERKO wymagają weryfikacji czystości powierzchni; zaleca się stosowanie pasty przy montażu na aluminium, aby zapobiec ponownemu utlenianiu.
  • Producent Erko
  • Wymiary 0.044m x 0.033m x 0.129m
  • Seria producenta AR
Końcówka kablowa prasowana do przewodów aluminiowych
  • Kształt przekroju Okrągły
  • Przekrój nominalny przewodu aluminiowego 240 - 240 mm²
  • Przekrój nominalny przewodu aluminiowego 300 - 300 mm²
  • Rozmiar gwintu metrycznego przyłącza 12
  • Materiał Aluminium
  • Do linki stalowo-aluminiowej Nie
  • Szczelne Nie
  • Liczba otworów montażowych 1
  • Zgodne z DIN Tak
  • Kolor Inne

Podmiot odpowiedzialny

Pokaż/Ukryj

Adres:

Dane kontaktowe:

Do pobrania

Wszystkie obrazy

Produkty, które mogą Cię zainteresować: