Przeglądarka z której korzystasz - Internet Explorer - nie jest wspierana przez nasz serwis. Żeby móc w pełni korzystać z serwisu zainstaluj inną przeglądarkę.
Konto Twojej firmy jest obecnie zablokowane. Żeby móc składać zamówienia skontaktuj się ze swoim opiekunem.

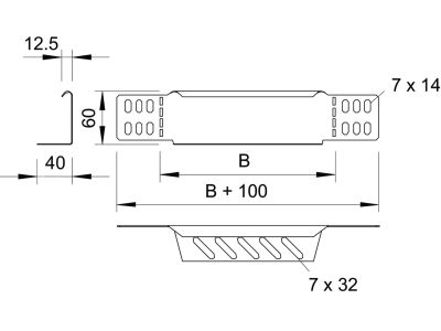
Kątownik redukcyjny/końcówka do korytka kablowego 60x300, St, DD RWEB 630 DD | 7106118 Obo Bettermann

Rzeczywisty produkt może się różnić od pokazanego na zdjęciu
Producent
Obo Bettermann
Kod
1126904
EAN
4012196982707
Kod Producenta
7106118
Kątownik redukcyjny/końcówka do korytka kablowego 60x300, St, DD RWEB 630 DD

Informacja o Produkcie

Do pobrania

Informacja o Produkcie

Alternatywny kod produktu: RWEB 630 DD

  • Producent Obo Bettermann
Zakończenie do korytka kablowego
  • Nadaje się do korytka kablowego o szerokości 300 mm
  • System utrzymania sprawności działania E30 Nie
  • Materiał Stal
  • Stal nierdzewna Nie
  • Gatunek materiału Inne
  • Zabezpieczenie powierzchni Inne
  • Kolor Brak

Podmiot odpowiedzialny

Pokaż/Ukryj

Adres:

Dane kontaktowe:

Wszystkie obrazy

Produkty, które mogą Cię zainteresować: